欧美天堂视频在线I国产三级久久久I视频在线观看国产I久草视频免费I久久资源在线I天天综合入口

光束防雷致力智能防雷技術應用

涌保護器不會接線怎么辦?【光束防雷】

   

   小編之前聽同事聊天時在說客戶買回去的浪涌保護器不會接線,針對這個問題,杭州光束提供的浪涌保護器含配套的說明書上面是含有接線圖的。但是客戶反映買回來之后,對著使用說明書,手底下的工人說看不懂,不會操作,依舊對浪涌保護器不會接線。


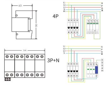
                       浪涌保護器接線圖

   

   

我相信這個問題不是一兩家存在的,之前聽到客戶王先生跟我們抱怨說在別家買的防雷器不會接線聯系不到廠家,工人們都急死了。今天小編給大家介紹一家,小編覺得很不錯的賣浪涌保護器的廠家,是杭州光束科技有限公司。這家公司小編之所以覺得很好,是因為這家公司的售后是24小時的,8小時內響應。技術也是24小時在線服務,可以遠程視頻教學~使工人們對浪涌保護器不會接線這一問題解起來更加的方便,易懂。


                         浪涌保護器怎么接線

   

小編相信,在工人們學會了浪涌保護器的接線,在今后的工作中自然會提高工作效率,正確的接線方式也會讓浪涌保護器發揮作用。更好的保護配電設備。歡迎大家致電咨詢更多浪涌保護器的問題~





【相關推薦】

咨詢熱線

400-0571-185