,http://www.gzavail.cn/">

欧美天堂视频在线I国产三级久久久I视频在线观看国产I久草视频免费I久久资源在线I天天综合入口

杭州光束防雷·工業級嚴謹設計
  • 德國盾電涌保護器【光束防雷】
  • 德國盾電涌保護器【光束防雷】

德國盾電涌保護器【光束防雷】

德國盾電涌保護器

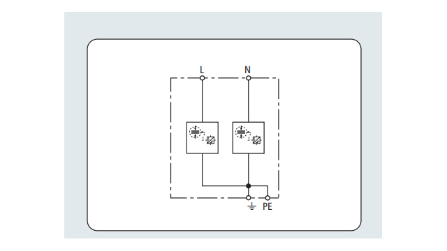
型號:DSH TN 255

貨號:941200

全國熱線

400-0571-185

       德國盾電涌保護器.jpg
Uc:255V 
  limp:12.5KA
 波形:(10/350 us)

  • 安裝方法

    1、電源連接導線不小于6mm2的多股銅線,接地連接線不小于10mm2的多股銅線。連接線應盡量的短、直、粗。
    2、防雷器前端應串聯合適的后備保護器、熔斷器或空開。

  • 安裝注意事項

    1、安裝時必須斷開電源,嚴禁帶電操作,連接導線必須符合要求。
    2、安裝完畢后將防雷模塊插入到位,檢查工作是否正常。
    3、防雷器無須特別維護,只需定期檢查其連接是否有松動,狀態指示是否正常。

熱品推薦 / Hot product

T1級15KA浪涌保護器

T1級15KA浪涌保護器【光束防雷】

●主要用途:開關型高能量SPD。主要應用于400V以下供電系統的第一級防雷保護。●產品特點:進口高能石墨,性能穩定,使用安全。●是否定制:接受OEM,可根據客戶要求定制。
T1級25KA浪涌保護器

T1級25KA浪涌保護器【光束防雷】

●主要用途:開關型高能量SPD。主要應用于400V以下供電系統的第一級防雷保護。●產品特點:進口高能石墨,性能穩定,使用安全。●是否定制:接受OEM,可根據客戶要求定制。
T1級35KA浪涌保護器

T1級35KA浪涌保護器【光束防雷】

●主要用途:開關型高能量SPD。主要應用于400V以下供電系統的第一級防雷保護。●產品特點:進口高能石墨,性能穩定,使用安全。●是否定制:接受OEM,可根據客戶要求定制。
T1級50KA浪涌保護器

T1級50KA浪涌保護器【光束防雷】

●主要用途:開關型高能量SPD。主要應用于400V以下供電系統的第一級防雷保護。●產品特點:進口高能石墨,性能穩定,使用安全。●是否定制:接受OEM,可根據客戶要求定制。

咨詢熱線

400-0571-185