">

欧美天堂视频在线I国产三级久久久I视频在线观看国产I久草视频免费I久久资源在线I天天综合入口

杭州光束防雷·工業級嚴謹設計
  • 四川中光信號浪涌保護器【光束防雷】
  • 四川中光信號浪涌保護器【光束防雷】

四川中光信號浪涌保護器【光束防雷】

品牌:四川中光信號浪涌保護器

產品:信號涌保護器,電涌保護器,SPD, 防雷器

型號:ZGXL-M1J-5

全國熱線

400-0571-185

四川中光信號浪涌保護器.jpg
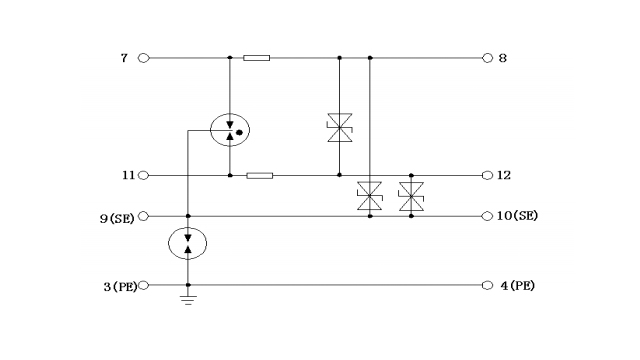
 Un: 5V
 8/20us, 
  RS422/485接口
產品支持在線熱插拔,具有響應速度快(ns)、保護電平低等特點,采用接線端子連接方式,標準35mm導軌安裝。


  • 安裝方法

    1、電源連接導線不小于6平方的多股銅線,接地連接線不小于10平方的多股銅線。連接線應盡量的短、直、粗。
    2、防雷器前端應串聯合適的后備保護器、熔斷器或空開。

  • 安裝注意事項

    1、安裝時必須斷開電源,嚴禁帶電操作,連接導線必須符合要求。
    2、安裝完畢后將防雷模塊插入到位,檢查工作是否正常。
    3、防雷器無須特別維護,只需定期檢查其連接是否有松動,狀態指示是否正常。

熱品推薦 / Hot product

T1級15KA浪涌保護器

T1級15KA浪涌保護器【光束防雷】

●主要用途:開關型高能量SPD。主要應用于400V以下供電系統的第一級防雷保護。●產品特點:進口高能石墨,性能穩定,使用安全。●是否定制:接受OEM,可根據客戶要求定制。
T1級25KA浪涌保護器

T1級25KA浪涌保護器【光束防雷】

●主要用途:開關型高能量SPD。主要應用于400V以下供電系統的第一級防雷保護。●產品特點:進口高能石墨,性能穩定,使用安全。●是否定制:接受OEM,可根據客戶要求定制。
T1級35KA浪涌保護器

T1級35KA浪涌保護器【光束防雷】

●主要用途:開關型高能量SPD。主要應用于400V以下供電系統的第一級防雷保護。●產品特點:進口高能石墨,性能穩定,使用安全。●是否定制:接受OEM,可根據客戶要求定制。
T1級50KA浪涌保護器

T1級50KA浪涌保護器【光束防雷】

●主要用途:開關型高能量SPD。主要應用于400V以下供電系統的第一級防雷保護。●產品特點:進口高能石墨,性能穩定,使用安全。●是否定制:接受OEM,可根據客戶要求定制。

咨詢熱線

400-0571-185
ucts/sczgxh.html","appid":"","title":"四川中光信號浪涌保護器哪里買-【光束防雷】","images":[],"description":"","pubDate":"2019-12-04T13:28:00","upDate":"2021-02-22T15:28:03","lrDate":"2019-12-04T13:43:56"}